中大节能
招贤纳士   加入收藏
产品分类
远程监控管理系列
路灯节能保护一体化控制系列
物联网单灯控制管理系统
物联网云端数控抽油机系列
电能质量与无功补偿装置
汽车远程启动、云端监控系统
智能通用型节电器
干式箔绕环保型变压器
高低压预装式变电站系列
高低压成套开关设备(柜)系列
您所在位置:网站首页 >> 路灯节能保护一体化控制系列
路灯节能保护一体化控制系统

一、    产品概述

路灯节能保护一体化控制系统是本公司一款已通过多年实践检验的高端产品,是集节能装置、“四遥”系统及控制柜于一体的综合路灯配电柜。不但能满足路灯全部智能化控制的要求,又能达到节能降耗的效果。除了具有路灯、照明稳压节电保护装置(柜)的全部功能外,还具有遥控、遥测、遥讯、遥调(及遥视)等五大功能。

二、产品特点

●节能部分:采用电磁迭加稳压技术,以及通过国家权威认证、自主知识产权的专用节电优化控制软件。动态调节供电线路工作状态,自动跟踪电网波动,动态的调整优化供电参数,达到节电、保护及延长设备使用寿命的多重效果。

在对路灯进行智能化节能管理的同时,节电率可达20%-40%,延长设备使用寿命1.5-2倍,实现了绿色环保。由于路灯节电设备输出的是正弦波,本身不会产生谐波,从而避免对敏感电子设备和高端照明灯具的谐波干扰。独立静态自动旁路,具有极高的安全可靠性。适用于各种类型、档次的灯具使用。

●四遥部分:由一个监控管理**与多个照明监控终端组成,**可以容纳9999个路灯监控点。用户可以通过一个监控管理**进行高效、可靠、全方位的控制与管理。系统可根据当地的经纬度以及光照度,自动跟综日出日落时间,自动遥控开、关灯时间,并对采集的数据进行分析、判断路灯运行情况,自动计算亮灯率等。

兼容有线和无线通讯方式(主要有GPRS、3G、网络、光纤等)实现遥测、遥信、遥控、遥调、点亮率统计及监测电流、功率、电压、功率因数等功能。任何有计算机和网络的地方经过授权都可以集中远程监控和管理。

●控制柜部分:采用黄金分割比设计,城市装饰效果好,美观大气。引用汽车工艺制造,模块化整体烤漆,防护层耐久,底座带有防锈隔离层,室外风雨漆面经八道工序涂装处理。内部安装负载开关3P断路器(16A-250A)六台及总开关接触器等。

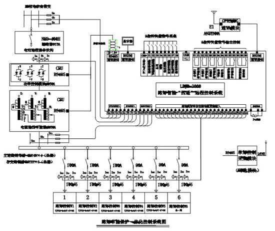
三、产品系统图

 
 
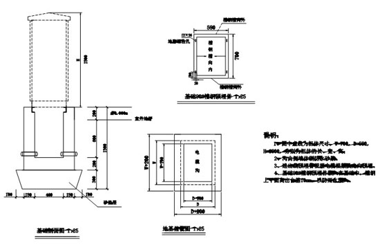
四、现场安装图
 
五、产品型号选型表

产品型号
标称容量(KVA)
额定电流(A)
箱体尺寸
(宽W*厚D*高H)
安装尺寸
(W*D),孔径
ZD30150
35
50
650*500*1200
450*460,Ф12
ZD30300
70
100
700*550*1650
500*510,Ф12
ZD30450
100
150
700*550*1650
500*510,Ф12
ZD30600
135
200
700*550*1650
500*510,Ф12
ZD30750
165
250
700*550*1650
500*510,Ф12
ZD30900
200
300
700*550*1650
500*510,Ф12
ZD31050
250
350
800*550*1700
700*510,Ф12
ZD31200
300
400
800*550*1700
700*510,Ф12
ZD10050
10
50
500*400*800
300*360,Ф12
ZD10100
20
100
650*500*1200
450*460,Ф12
ZD10150
30
150
650*500*1200
450*460,Ф12
ZD10200
40
200
700*550*1650
500*510,Ф12
ZD10300
65
300
700*550*1650
500*510,Ф12

  六、产品型号说明
  七、应用领域
  市政照明——城市路灯、高速公路、隧道、桥梁、城市亮化工程等;
  交通照明——铁路、车站、码头、公路、地铁站、机场等;
  公共照明——银行、医院、学校、广场、小区、厂矿、奥体中心、旅游景点等;
  商业照明——大型商厦、购物中心、会展中心、宾馆、酒店、大型广告牌、地下停车场等;

中大科能&中大节能装备制造有限公司 网站备案号:黑ICP备17005439号-1 黑公网安备23060002000375号 版权所有 中大科能
中文网址:中大节能.中国 英文网址:www.zdjn.cn 电子邮箱:zhongdakeneng@163.com