中大节能
招贤纳士   加入收藏
产品分类
远程监控管理系列
路灯节能保护一体化控制系列
物联网单灯控制管理系统
物联网云端数控抽油机系列
电能质量与无功补偿装置
汽车远程启动、云端监控系统
智能通用型节电器
干式箔绕环保型变压器
高低压预装式变电站系列
高低压成套开关设备(柜)系列
您所在位置:网站首页 >> 高低压预装式变电站系列
网络化节能型路灯箱式变电站

一、产品概述

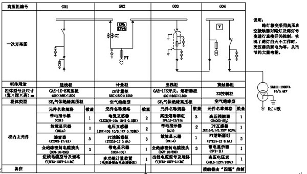
网络化节能型路灯箱式变电站主要由高压进线单元、高压计量单元、高压接触器单元、节能变压器单元、低压无功补偿单元、智能节能控制单元等按一定的接线方式组成的工厂预装型配电系统。具有成套性强、体积小、占地少、能够深入负荷**、占地面积通常仅为常规变电站的1/3,提高供电质量、节约电能、减少能耗、缩短建设周期、对环境适应性强、安装使用方便、运行安全可靠等一系列特点。

二、产品优势

●  使路灯变压器空载损耗降为零,很好的解决了白天不亮灯时,变压器还空载运行浪费电能的弊端。并通过了国家配电设备质量监督检验**的检验。

●  城市装饰效果好,美观大气。引用先进的汽车工艺制造,模块化整体烤漆,防护层耐久。

●  采用德国设计理念,人性化设计,体积小,占地少,减小了对景物的影响。高度不影响行人视线,顺乎世界潮流发展。

●  智能化“四遥”功能,具有将监测、遥控、遥调、通信、报警、保护、温度测量、远程计量抄表等融合起来统一管理的特点。

● 通过电压互感器二次侧直接提供220V电源,为高压接触器提供不间断的操作电源,在高压断电的情况下,由UPS提供操作电源。

●  黄金分割比的设计,特殊的屋顶整体化制造及箱体模块化安装,既便于拆卸组装,又方便更换损坏的部件。

三、主要技术参数

■高压侧额定电压:6KV - 12KV

■低压侧额定电压:400V/230V,50Hz

■额定容量:50 kVA、100 kVA 、160 kVA 、250 kVA 、315kVA

■调压范围:相电压175 V -250V,线电压303V-433V

■稳压灵敏度:±2%-2.5%

■过电流强度:100倍额定电流持续0.3秒

■过负荷耐量:2倍额定电流2分钟

■控制模式:就地控制、远程四遥管理控制

■电源电压:AC220V

■环境温度:-40℃~+55℃

■变压器:干变、油变均可采用

■特殊使用条件请与制造厂协商解决。

四、结构特点

■箱体全部采用模块化设计,功能丰富,配置灵活,箱体装配采用紧固件连接方式,其工业化的生产省时省力,设备制造容易

■箱体各部件内外表面均经过特殊的喷涂工艺处理,防紫外线处理,可耐极强的腐蚀,并能保证20年的使用寿命

■独特的一体化屋顶结构,抗凝露和防尘防溅结构

■优化高效的全自然通风结构和迷宫式进风口,保证外壳级别为10级

■可移开式外壳,使设备升级方便灵活

五、中大标准方案图

■高压系统方案图

 
  ■ 低压系统方案图

 
  ■路灯箱变基础图
五、适用范围
  广泛用于城市的路灯道路照明。同时也适用于工矿企业、油田、风景区、隧道、高速公路、桥梁、码头、农网及流动作业工地等场所。

中大科能&中大节能装备制造有限公司 网站备案号:黑ICP备17005439号-1 黑公网安备23060002000375号 版权所有 中大科能
中文网址:中大节能.中国 英文网址:www.zdjn.cn 电子邮箱:zhongdakeneng@163.com