
一、产品简介
GGD型交流低压配电柜是能源部根据广大电力用户及设计部门要求,本着**、经济、合理、可靠的原则设计的新型低压配电柜。产品具有分断能力高、动热稳定性好,电气方案灵活、组合方便,系列性、实用性强,结构新颖、防护等级高等特点,可作为低压成套开关设备的更新换代产品使用。
GGD型交流低压配电柜符合IEC439《低压成套开关设备和控制设备》,GB7251《低压成套开关设备》等标准。
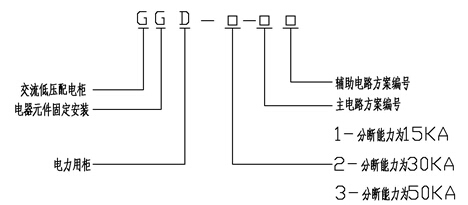
二、产品型号含义

三、用途 GGD交流低压配电柜适用于各种供电及配电的需要,能广泛应用发电厂、变电站及工程建筑、高层楼宇、机场、医院、地下设施、工矿企业等各种低压配电系统。
四、使用条件 本设备属户内装置,适用于下列工作条件: 周围空气温度:不高于40℃,不低于-5℃,日平均温度不高于+35℃。 相对湿度:在**温度为+40℃时不超过50%,在较低温度时允许有较高的相对湿度。例如:+20℃为90%。 海拔高度:不大于2000m。 设备适用以下温度及运输和存储:-25℃~+55℃的范围之间,在短时间内(不超过24小时)可达+70℃。 当超过上述条件环境时,请与制造厂协商解决。
五、主要技术参数

六、电器元件选择
GGD柜主要采用国内外,已能批量生产先进的电器元件。如HSW1、HSM1及ABB、施耐德等元件。
HD13BX和HS13BX型旋转操作式刀开关是MLS为满足GGD柜独特结构的需要而设计的专用元件,它改变了机构的操作方式,是一种新型的电器元件。
为进一步提高主电路的动稳定性,NLS设计了GGD柜专用的ZMJ型组合式母线夹和绝缘支撑件。主母线采用铜牌母线,母线的搭接面采用搪锡处理。母线夹由高强度、高阻燃型材料热塑成型,绝缘强度高、自熄性能好,结构独特,只需调整积木式间块即可方便地组合成单母线或双母线夹。绝缘支撑是套筒式模压结构,成本低、强度高,解决了老产品爬电距离不够的缺陷。
七、柜体尺寸
|