一、概述
KYN28A-12(Z)铠装移开式金属封闭开关设备,将可移动部件设计成中置形式(简称中置式手车柜),该手车柜综合国内外同类产品的诸多优点,堪称我国目前手车柜的上乘产品。断路器可配装ZN63(VS1)系列真空断路器., 又可安装ZN64(ABB的VD4)系列进口真空断路器,适用性广、可靠性高、实现长年免维护。
本产品适用于三相交流50HZ电力系统,用于接受和分配电能并对电路实行控制,保护及监测。产品符合GB3906《3.6KV~40.5KV交流金属封闭开关设备和控制设备》,GB/T11022《高压开关设备和控制设备标准的共用技术要求》,IEC62271:200 《额定电压1KV以上52KV以下交流金属封闭开关设备和控制设备》,DL/T404《3.6KV~40.5KV交流金属封闭开关设备和控制设备》标准。
开关柜分为:母线室、断路器手车室、电缆室和仪表室四大隔室,隔室均为金属板分隔。抽出手车可配备断路器手车、熔断器手车、PT手车、计量手车、避雷器手车、隔离手车、接地手车等各种功能手车,均可在柜门关闭状态下进行操作。
二、型号含义

三、正常使用条件 1、周围空气温度:**温度40℃,**温度-15℃。
2、湿度条件:
日平均相对湿度:≤95%,日平均水蒸汽压力不超过2.2Kpa;
月平均相对湿度≤95%,月平均水蒸汽压力不超过1.8Kpa。
3、海拔高度:1000m及以下。
4、地震烈度:不超过8度。
5、周围空气应不受腐蚀性或可燃气体、水蒸气等明显污染。
6、无经常性的剧烈振动场所。
7、在超过GB3906规定的正常的环境条件下使用时,由用户和制造商协商。
四、技术参数
注:1、电流互感器的短路容量单独考虑;2、ZN63A-12技术参数详见本公司 五、结构特点 1.开关设备结构(见图1) 2.完全金属铠装,组装式结构,组合方案广。 3.柜体选用进口的敷铝锌薄钢板,经CNC机床加工,采用先进的多重折边工艺,用拉铆螺母、高强度螺栓联接,且精度高、重量轻、强度高、零件通用性强。 4.手车设工作、试验位置,各位置均有定位和显示装置,安全可靠。 5.各类手车按模数积木式变化,保证同规格车可自由互换,不同规格车绝不能进入。 6.接地开关安装方式 1)装于柜中部(前置式)便于柜后检修双面维护(图1-a)。 2)装于柜后部(后置式)便于靠墙节约空间面积(图1-b)。 7.电流互感器安装方式 1)柜后部电缆室正装。 2)大弯板底部吊装 8.电缆室可安装多达9根单芯电缆 9.各高压室均有泄压通道,确保人身安全 10.高可靠地联锁装置,充分满足“五防”安全要求 11.由专用运载车运送手车,操作轻便、灵活。 12.前后门装有观察窗,可方便观察室内元件的工作状态。

A.母线室 B.断路器手车室 C.电缆室 D.继电器仪表室 1.外壳 2.分支母线 3.母线套管 4.主母线 5.静触头装置 6.触头盒 7.电流互感器 8.接地开关 9.电缆 10.避雷器 11.接地母线 12.装卸式隔板 13.隔板(活门) 14.二次插头 15.断路器手车 16.加热装置 17.可抽出式水平隔板 18.接地开关操作机构 19.底板 20.泄压装置 21.控制导线槽
六、一般结构安排


七、外形尺寸

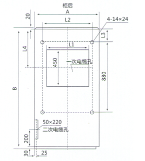
八、安装尺寸


九、订货须知 KYN28A-12(Z)开关设备订货时应提供下列技术资料: 1.主电路方案图编号、用途和单线系统图、额定电压、额定电流、额定短路开断电流、配电室平面布置及开关设备的排列配置图等。 2.开关设备控制、测量及保护功能的要求以及其他闭锁和自动装置的要求。 3.开关设备内主要电器元件的型号、规格及数量。 4.如开关设备之间或进线柜需要母线桥连接,应提供母线桥的额定载流量,母线桥的跨度,距地高度等具体要求数据。 5.开关设备使用在特殊环境条件时,应在订货时详细说明。 6.其他特殊要求。
|